- Tin tức
- Tin tổng hợp
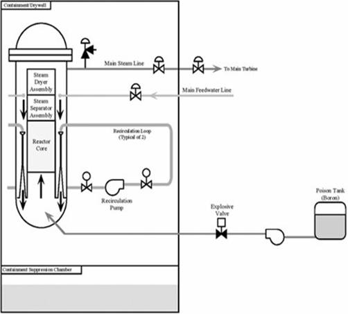
Hệ điều khiển chất lỏng dự phòng
Hệ điều khiển chất lỏng dự phòng (standby liquid control - SLC) (H.1) có cùng mục đích như thanh điều khiển trong hệ thống bảo vệ lò phản ứng (RPS) là dập lò trong điều kiện sự cố hoặc khẩn cấp. Chức năng của hệ SLC là phun vào lò phản ứng một loại dung dịch có khả năng hấp thụ nơtron (còn gọi là chất độc) nhằm chấm dứt sự hoạt động của lò trong trường hợp không có thanh điều khiển chèn vào vùng hoạt, duy trì lò ở đều kiện dưới tới hạn. Hệ SLC thường được sử dụng trong trường hợp sự cố xảy ra xấu nhất được gọi là sự kiện ATWS (Anticipated Transient Without Scram).
Hệ SLC là một giải pháp làm dừng lò tương đối chậm với thời gian lên đến 10 phút để phun đủ một lượng Bo hấp thụ nơtron theo yêu cầu. Chất độc này được phun vào dưới vùng hoạt và được mang vào vùng hoạt bởi sự lưu thông tự nhiên.
Bên cạnh khả năng làm dừng lò, hệ SLC còn có thể được sử dụng như là một nguồn phun cao áp ở các điều kiện mức nước xuống thấp trong qui trình vận hành khẩn cấp.
Hệ điều khiển chất lỏng dự phòng gồm 4 thiết bị chủ yếu sau:
- Một bể chứa dung dịch (được gia nhiệt)
- Hai bơm dung dịch (kiểu pitông theo chiều dương)
- Hai van phun dung dịch (có mồi nổ cực mạnh).
- Một bể kiểm tra với các van và đường ống cần thiết được sử dụng để kiểm tra hệ SLC khi không phun chất độc vào thùng lò phản ứng.
Ngoài các thiết bị nói trên, trong hệ SLC còn có tuyến ống nối để dẫn dung dịch hấp thụ vào thùng lò.
2/ Nguyên lý làm việc của hệ SLC
Chất độc đối với nơtron được sử dụng bởi hệ SLC là đồng vị B10 khi được chứa trong dung dịch decahyrat pentaborat natri. Đồng vị B10 xuất hiện trong Bo tự nhiên ở nồng độ dưới 20% , có tiết diện hấp thụ nơtron rất cao khoảng 3,84 x103 barn (1 barn = 10-28m2). Đồng vị B11 chiếm 80% trong Bo tự nhiên nhưng tiết diện hấp thụ nơtron không đáng kể. Việc làm giàu nồng độ B10 lên đến 85-90% trong dung dịch decahyrat pentaborat natri được chứa tại các bể trong hệ SLC làm giảm mạnh thời gian dập lò và làm tăng khả năng duy trì tình trạng dừng lò với các thanh điều khiển đã rút ra khỏi vị trí.
Khi một nơtron được hấp thụi bởi các nhân B10 thì các nhân phức hợp B11 kích thích được hình thành. Sự hấp thụ nơtron tác động một năng lượng lớn lên các nhân phức hợp này. Các nhân phức hợp B11 kích thích có xu hướng gây ra sự phân rã alpha hơn là tạo ra các nhân B11 bền. Sự phân rã alpha tạo ra các nhân Hêli và Liti. Như vậy, B10 hấp thụ một nơtron cung cấp đủ năng lượng tạo ra các nhân phức hợp để phân chia thành các nguyên tử Liti và Hêli.
Hệ SLC được yêu cầu có khả năng đáp ứng lượng chất hấp thụ nơtron thích hợp để cung cấp giá trị độ phản ứng âm lớn hơn các hiệu ứng độ phản ứng dương được kết hợp từ các sự kiện sau:
- Toàn bộ các thanh điều khiển được rút ra hoàn toàn
- Hiệu ứng độ rỗng dương
- Hiệu ứng doppler
- Sự phân rã Xênon hoàn toàn
- Nhiệt độ.
Trong trường hợp hệ SLC bị hỏng thì hệ làm mát cô lập vùng hoạt lò phản ứng có thể là hệ thống phun chất hấp thụ nơtron thay thế.
3/ Mô tả hệ SLC
3.1/ Bể chứa dung dịch (storage tank)
Bể chứa chất lỏng trong hệ SLC là một bể thép không gỉ được đậy kín thường có dung tích 18,359 m3 (4850 ga lông Mỹ) Bể có chức năng để chứa và hòa trộn dung dịch decahyrat pentaborat natri. Nước được cấp vào bể là nước đã khử khoáng. Trên nóc bể bố trí cửa có thể dịch chuyển để nạp hóa chất và lấy mẫu dung dịch khi cần. Một lỗ thông và ống chảy tràn từ bể chứa nối với một bể thu.
Dung dịch hấp thụ nơtron được hòa trộn trong bể là hỗn hợp giữa borac (natri tetraborat) và axit boric kết hạt để tạo ra dung dịch decahyrat pentaborat natri. Dung dịch này dễ phân tầng và kết tủa tại nhiệt độ thấp. Khả năng hòa tan của các hóa chất này được tăng lên khi sử dụng thiết bị gia nhiệt để làm tăng nhiệt độ dung dịch lên khoảng 65,6oC. Bộ gia nhiệt này cũng có tác dụng bù lại sự mất nhiệt do phản ứng thu nhiệt khi dung dịch decahyrat pentaborat natri được tạo thành. Để thúc đẩy sự hòa trộn đồng đều, một máy khuấy được đưa vào bể.
Hai bộ gia nhiệt được lắp đặt sát đáy thùng có khả năng đóng mở tự động để điều chỉnh nhiệt độ trong khoảng 26,7oC nhằm ngăn chặn pentaborat natri kết tủa ngoài dung dịch ở điều kiện bình thường. Sự kết tủa Bo có thể trở nên đáng kể tại nhiệt độ khoảng <16,7oC. Bo kết tủa hòa tan trong chất độc được phun có thể làm tắc đường ống và đầu hút của bơm, làm giảm công suất bơm. Vì vậy điểm đầu hút vào bơm được bố trí cao hơn đáy bể để ngăn chặn bất kỳ sự tắc nào do kết tủa.
3.2/ Bơm dung dịch (standby liquid control pump)
Dung dịch pentaborat natri được bơm vào thùng lò phản ứng bởi một trong hai bơm có công suất 100% kiểu pitông theo chiều dương (H.2). Mỗi bơm có lưu lượng bơm 247,2 g/giờ và áp lực trong khoảng 0-8618,75 kPa. Bơm được điều khiển từ phòng điều khiển lò qua một công tắc của bộ chọn lọc đơn. Các công tắc cục bộ cũng được đáp ứng cho mục đích kiểm tra. Các công tắc này được bố trí vòng qua van phun và cho phép chạy cả hai bơm đối với công tác kiểm tra và bảo dưỡng.
Trên H.2 cho thấy mỗi bơm có ắc qui đi kèm và van phục vụ cho việc bơm dung dịch. Các van này mở tại áp lực rất cao (khoảng 9653 kPa) để ngăn chặn sự hủy hoại vỏ và mối hàn của bơm. Các ắc qui sử dụng ni tơ có áp lực (2482,2 kPa) và một bong bóng nhân tạo để hấp thụ sự rung động áp suất xảy ra khi bơm làm việc.
H.2: Sơ đồ chi tiết hệ SLC
3.3/ Van phun dung dịch (explosive valve)
Van phun dung dịch (xem H.2) là loại van được khởi động bởi mồi nổ cực mạnh công suất 100%. Trong hệ SLC luôn sử dụng hai van được bố trí giữa các bơm dung dịch và lò phản ứng. Việc bố trí hai van phun cũng tương tự như mục đich bố trí hai bơm dung dịch nhằm dự phòng cho trường hợp sai hỏng của một trong hai thiết bị. Khi hệ thống được khởi động từ phòng điều khiển, một bơm sẽ khởi động và cả hai van sẽ mở.
Một mồi nổ gồm một ống nhỏ được nhồi chất nổ và một kíp nổ được nối với một triogơ điện điều khiển từ xa. Các mồi nổ được đốt bởi dòng điện ≥ 2 ampe. Mỗi van phun có một chốt trượt được kích thích bởi mồi nổ kép và do đó không có sự rò rỉ qua van. Với kết cấu đặc biệt các sản phẩm chất nổ được giữ lại hoàn toàn bên trong buồng kíp nổ và không gây ô nhiễm dung dịch Bo đi qua van.
Khi hệ SLC ở tình trạng dự phòng bình thường thì chỉ có một dòng điện liên tục khoảng 3miliampe đi qua bộ triogơ lắp trên mỗi van. Dòng điện nhỏ này làm sáng các ngọn đèn điện trên 603 bảng điều khiển trong phòng điều khiển để cho thấy sự duy trì liên tục điện đến các mạch đốt mồi nổ. Nếu sự liên tục bị mất, một báo động được ban ra và các đèn trên mạch sẽ tắt. Dòng đốt cho mồi nổ tăng lên hơn 2 ampe.
3.4/ Bể kiểm tra (test tank)
Bể kiểm tra (xem H.2) có chức năng kiểm tra và súc rửa hệ thống SLC bằng nước đã khử khoáng. Đây là bể hình trụ làm bằng thép không gỉ có dung tích khoảng 0,795 m3 (210 ga lông. Mỹ). Nước từ bể kiểm tra chỉ chảy đến bể thu qua van xả của bể. Sự bố trí này sẽ ngăn chặn Bo làm ô nhiễm nước đã được xử lý.
3.5/ Các bộ phận khác trong hệ SLC

Tuyến ống phun dung dịch vào thùng lò (vessle injection line) có hai chức năng bên trong thùng lò phản ứng: dẫn dung dịch pentaborat natri được phun và thâm nhập vào thùng lò để đo đạc áp suất. Trên tuyến ống phun có 2 van kiểm tra giống nhau và một van cô lập thường mở bằng tay. Ống phun dung dịch đi vào thùng lò qua một điểm phía dưới tấm chắn (shround) vùng hoạt theo kiểu hai ống đồng tâm (H.3). Việc sử dụng ống lồng làm giảm sự sốc nhiệt đến lò phản ứng khi hệ SLC được khởi động.
Trong quá trình phun chất độc, dung dịch pentaborat natri được mang vào bên trong vùng hoạt và tấm chắn vùng hoạt bằng sự tuần hoàn tự nhiên. Tại điều kiện ATWS, các bơm tuần hoàn sẽ được phát động để hỗ trợ việc làm giảm năng lượng của lò.
Mức nước trong lò làm ảnh hưởng đến sự tuần hoàn tự nhiên của dung dịch. Mức nước bị giảm và sự giảm tiếp theo của tuần hoàn tự nhiên sẽ làm giảm tốc độ phun chất độc vào vùng hoạt. Tuy nhiên nếu các điều kiện bão hòa duy trì trong vùng hoạt, sự tuần hoàn tự nhiên sẽ tăng lên khi lượng hơi thoát ra vùng hoạt thấp và nước được ngưng tụ trở về vùng hoạt.
• Bể thu (drain tank): Bể thu được sử dụng để thu hồi nước nhiễm Bo từ các vị trí sau: đầu hút bơm cắt qua tuyến nối, đĩa đáy bơm, đường xả của bơm cắt qua ống nối, bể kiểm tra, và ống tràn của bể chứa. Nước thải nhiễm xạ được dẫn trong đường ống từ bể thu đến một bể thu chứa nước muối hoặc một thùng hình trụ dung tích khoảng 0,208 m3 (55 ga lông Mỹ)
3.6/ Dung dịch hấp thụ nơtron
Chất độc hấp thụ nơtron được đưa vào bể chứa là dung dịch decahydrat pentaborat natri (Na2 5B2O3 10H2O) gồm một loại bột thô (còn hạt) màu trắng chứa borax, axyt boric và nước đã khử khoáng. Việc sử dụng nước nhằm làm tăng mức độ hòa tan của chất độc trong vùng hoạt. Bột độc có thời gian sống 40 năm. Đồng vị B10 được sử dụng trong bột độc Việc làm tăng nồng độ B10 (thường từ 85-90%) có ý nghĩa trong việc giảm thể tích bể chứa đến 25% theo yêu cầu ban đầu. Ở tốc độ phun 247,2 g/giờ, chất độc được làm giàu B10 sẽ phân bố nhanh hơn và tần số xuất hiện nóng chảy vùng hoạt theo tính toán được giảm đáng kể.
4/ Các đặc trưng của hệ SLC
4.1/ Sự điều khiển và chỉ thị
Các chỉ thị và điều khiển chủ yếu đối với hệ SLC được đặt trong phòng điều khiển Hệ SLC được bắt đầu bởi một công tắc khóa đơn với 3 vị trí: “Khởi động hệ thống A”, “Khởi động hệ thống B” và “Dừng”. Công tắc khóa chỉ được lựa chọn để khởi động một trong các bơm của hệ SLC tương ứng với các vị trí “Khởi động hệ thống A” hoặc “Khởi động hệ thống B”. Khi lựa chọn vị trí bất kỳ, một trong hai bơm tương ứng sẽ khởi động và cả hai van phun dung dịch cùng được đánh lửa mồi nổ. Khi cần kiểm tra bơm, khởi động bơm được thực hiện cục bộ và ở điều kiện này, các van phun không làm việc.
4.2/ Cách thức dự phòng thông thường
Hệ SLC phải được duy trì ở tình trạng dự phòng vận hành khi nhiên liệu và lò phản ứng đang vận hành. Dung tích bể chứa và nồng độ được kiểm soát đều đặn. Bể chứa được duy trì giữa hai điểm báo động mức thấp và mức cao phù hợp với Tiêu chuẩn kỹ thuật. Nồng độ decahydrat pentaborat natri trong dung dịch chất độc cũng phải đủ cao phù hợp với Tiêu chuẩn kỹ thuật. Ngoài ra bể chứa và đường ống được duy trì tại nhiệt độ yêu cầu để giảm thiểu sự kết tủa chất độc.
4.3/ Cách thức phun
Qui trình vận hành khẩn cấp (emergency operating procedures-EOPs) yêu cầu sự khởi động hệ SLC trong điều kiện có sự cố vận hành do sự sai hỏng của bộ phận dừng lò trong hệ thống bảo vệ (anticipated transient without scram-ATWS) hoặc sự cố mất chất tải nhiệt (loss of coolant accident –LOCA). Khí hệ SLC được phát động, một trong hai bơm dung dịch và cả hai van phun cùng khởi động, đồng thời cô lập hệ làm sạch nước lò (reactor water cleanup-RWCU)
4.4/ Kiểm tra lưu lượng của bơm phun dung dịch
Công tác kiểm tra lưu lượng của bơm được thực hiện cục bộ ngay tại ví trí đặt bơm. Khi công tác kiểm tra được tiến hành, không có sự hoạt động vủa van phun. Đầu hút của bơm được nối đến bể kiểm tra sau khi bể được đổ đầy nước khử khoáng và đường ống nối được súc rửa. Khi đầu hút của bơm được nối đến bể kiểm tra xong, bơm được khởi động và dòng xả được gửi quay lại bể kiểm tra. Áp lực xả sau đó được điều chỉnh bằng cách sử dụng một trong các van hồi về của bể kiểm tra để mô phỏng áp suất lò khoảng 1150 psig. Chỉ thị lưu lượng bơm được đáp ứng tại chỗ.
4.5/ Kiểm tra sự khởi động của hệ SLC
Kiểm tra sự khởi động của hệ SLC được thực hiện định kỳ khi dừng lò. Trong quá trình kiểm tra, nước đã khử khoáng từ bể kiểm tra được bơm vào thùng lò. Mục đích của việc kiểm tra để xác minh công suất xả của bơm và sự hoạt động của các van phun. Sự kiểm tra được bắt đầu từ phòng điều khiển để xem xét sự khởi động của van, khả năng bơm nước vào thùng lò. Sau công tác kiểm tra, hệ SLC được hoàn lại về tình trạng dự phòng vận hành.
Tổng hợp từ “7.4 Standby Liquid Control – NRC” và “Standby Liquid Control Sýtem – Nuclear Power Plant World Wide
Trần Thu Hà


.png)


