- Tin tức
- Tin tổng hợp
Hệ làm lạnh vùng hoạt khẩn cấp trong lò phản ứng
1/ Chức năng
Hệ làm lạnh vùng hoạt khẩn cấp (emergency core cooling system- ECCS) có chức năng làm lạnh vùng hoạt trong điều kiện sự cố mất chất tải nhiệt (LOCA) nhằm hạn chế sự phá hủy vỏ thanh nhiên liệu dẫn tới hạn chế sự thải các chất phóng xạ vào môi trường. Hầu hết trong các nhà máy điện hạt nhân, các ECCS gồm chủ yếu hai hệ cao áp và hai hệ thấp áp. Hai hệ cao áp là hệ phun chất tải nhiệt cao áp (high pressure coolant injection-HPCI) và hệ giảm áp tự động (automatic depressurization system-AD). Hai hệ thấp áp là hệ khử nhiệt dư (residual heat removal-RHR) bằng phương thức/kiểu phun chất tải nhiệt hạ áp (low pressure coolant injection–LPCI) và hệ phun vùng hoạt (core spray-CS).
Cách thức hoạt động của ECCS để bảo vệ vùng hoạt phụ thuộc vào mức độ mất chất tải nhiệt của lò phản ứng do sự phá vỡ rào chắn quá trình hệ thống hạt nhân. Hệ phun chất tải nhiệt cao áp được thiết kế để vận hành trong trường hợp hệ thống hạt nhân đang ở điều kiện áp suất cao. Hai hệ phun thấp áp được thiết kế để vận hành ở điều kiện áp suất thấp. Nếu sự phá vỡ rào chắn quá trình hệ thống hạt nhân tạo ra sự mất chất tải nhiệt vượt quá khả năng của hệ phun chất tải nhiệt cao áp thì áp suất lò giảm tại tốc độ đủ nhanh để các hệ làm lạnh thấp áp bắt đầu phun chất tải nhiệt vào thùng lò kịp thời cho mục đích làm lạnh vùng hoạt. Sự giảm áp tự động được cung cấp để giảm áp một cách tự động áp suất của lò nếu một sự phá vỡ xuất hiện và hệ phun chất tải nhiệt không thể vận hành.
Nếu hệ phun chất tải nhiệt cao áp có khả năng đền bù cho toàn bộ sự mất chất tải nhiệt thì các hệ làm lạnh vùng hoạt khẩn cấp thấp áp không được yêu cầu hoạt động cho đến khi áp suất lò phản ứng giảm xuống khoảng dưới 689,5 kPa (100 psi).
2/ Nguyên lý hoạt động
21/ Các hệ cao áp
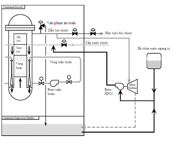
- Hệ phun chất tải nhiệt cao áp (HPCI): Hệ HPCI là một hệ thống làm lạnh vùng hoạt khẩn cấp độc lập, không cần điện lưới, các hệ thống không khí bổ trợ hoặc các hệ thống nước làm mát bên ngoài để thực hiện mục đích cung cấp nước đến thùng lò để làm lạnh vùng hoạt trong các điều kiện sự cố mất chất tải nhiệt cấp độ trung bình và nhỏ. Điều này có nghĩa là trong trường hợp sự cố bị mất một lượng tương đối nhỏ chất tải nhiệt, hệ HPCI sẽ được sử dụng để bổ sung một lượng nhỏ tương đương chất làm mát cho lò phản ứng. Hệ HPCI có thể cấp nước cho lò ở các mức áp suất của lò từ cao đến thấp hơn mà tại đây các hệ làm lạnh vùng hoạt thấp áp có thể được sử dụng. Chất tải nhiệt trong hệ HPCI được cung cấp là nước sạch được bơm từ các bể chứa nước ngưng tụ hoặc bể triệt áp.
- Hệ giảm áp tự động (AD): Hệ thống tuần hoàn chất tải nhiệt làm việc tại áp suất cao. Khi sự cố mất chất tải nhiệt ở cấp độ trung bình hoặc nhỏ xảy ra, hệ HPCI được sử dụng để bổ sung một lượng tương đối nhỏ nước làm mát mà không cần đến sự giảm áp của hệ thống. Trong trường hợp sự cố mất chất tải nhiệt lớn, cần thiết bổ sung một lượng lớn nước làm mát bằng hệ phun chất tải nhiệt thấp áp với nguồn nước ngay bên trong nhà lò. Do các bơm không thể khắc phục được áp suất lớn trong hệ thống nên cần phải giảm áp bằng hệ giảm áp tự động. Hệ AD sẽ giảm áp suất trong hệ thống dẫn hơi bằng cách mở các van xả/phun an toàn nhờ hệ thống điện tử được điều khiển một cách tự động để xả một lượng lớn hơi vào không gian nhà lò.
Hình vẽ 1 (H.1) thể hiện sơ đồ nguyên lý hoạt động của các hệ cao áp trong lò BWR.

H.1: Sơ đồ nguyên lý hoạt động của các hệ cao áp trong lò BWR
2.2/ Các hệ thấp áp
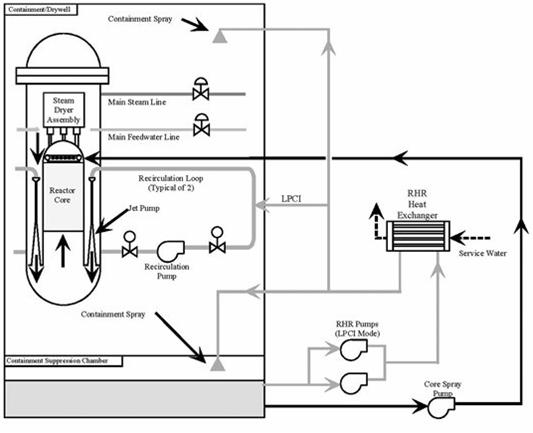
- Hệ phun vùng hoạt (CS): Hệ CSgồm hai vòng bơm độc lập và tách biệt. Chất tải nhiệt là nước được sử dụng trong hệ CS được lấy từ bể triệt áp đặt bên trong thùng lò phản ứng. Sự làm mát vùng hoạt được thỏa mãn bằng cách tiêm/phun nước vào đỉnh của bó nhiên liệu.
- Hệ khử nhiệt dư (RHR) bằng phương thức phun chất tải nhiệt hạ áp (LPCI): Hệ RHR cung cấp chất tải nhiệt là nước đến thùng lò phản ứng nhằm làm mát vùng hoạt trong điều kiện sự cố mất chất tải nhiệt. Hệ RHR là hệ đa mục đích với nhiều phương thức vận hành trong đó phương thức LPCI được sử dụng chủ yếu. Phương thức phun chất tải nhiệt hạ áp vận hành một cách tự động nhằm khôi phục lại, và duy trì nếu cần thiết, lượng chất tải nhiệt để ngăn ngừa nhiệt độ của vỏ thanh nhiên liệu không vượt quá khoảng 1204,4oC (2200oF). Trong quá trình khử nhiệt dư, chất tải nhiệt là nước từ bể triệt áp được bơm đến thiết bị trao đổi nhiệt sau đó được bơm trực tiếp vào vòng tuần hoàn khép kín làm mát lò phản ứng. Nước trong hệ thống này cũng có thể được sử dụng phun vào nhà lò nhằm giảm áp suất và nhiệt độ khi bị tăng hơn mức cho phép.
Hình vẽ 2 (H.2) thể hiện sơ đồ nguyên lý hoạt động của các hệ thấp áp trong lò BWR.

H.2: Sơ đồ nguyên lý hoạt động của các hệ thấp áp trong lò BWR
3/ Các hệ liên quan khác
3.1/ Hệ phun nước trong nhà lò (contaiment spray - CS): Trong trường hợp LOCA xảy ra, hệ phun nước trong nhà lò có chức năng phun nước từ các vùng phía trên trong không gian nhà lò (H.3) nhằm làm giảm và duy trì áp suất, nhiệt độ bên trong nhà lò trong giới hạn cho phép (thường là 60 psi và 300oF).
Trong một số lò phản ứng, hệ CS còn có chức năng kết hợp với hệ thống khử i ốt, tung ra do sự nứt/vỡ vỏ thành nhiên liệu trong trường hợp LOCA, ra khỏi không gian nhà lò.
Hệ CS gồm các bơm, bình trao đổi nhiệt, các mũi phun đường kính nhỏ và các van liên quan, đường ống dẫn. Nước được sử dụng trong hệ CS lấy từ bể chứa nước phục vụ cho thay đảo thanh nhiên liệu hoặc các hầm chứa nước thài trong nhà lò.

H.3: Hình ảnh phun nước trong nhà lò qua hệ CS
3.2/ Hệ làm lạnh cô lập (isolation cooling – IC)
Hệ làm lạnh cô lập hay gọi đầy đủ là hệ làm lạnh cô lập vùng hoạt được sử dụng trong các lò BWR từ thế hệ thứ 3- thứ 6. Hệ IC là một hệ thống dự phòng riêng lẻ phục vụ cho dập lò phản ứng an toàn. Hệ IC không được coi là bộ phận của hệ ECCS và không có chức năng làm lạnh khẩn cấp trong trường hợp LOCA. Tuy nhiên hệ IC đươc thiết kế để đảm bảo rằng lượng nước thích hợp trong lò phản ứng được duy trì trong thùng lò cho phép làm lạnh vùng hoạt một cách thỏa đáng. Điều này ngăn chặn sự quá nhiệt của nhiên liệu khi lò phản ứng ở tình trạng cô lập.
Hệ IC có thể được triển khai nhanh hơn hệ HPCI và có thể vận hành trong trường hợp lò đang tồn tại ở áp suất cao.
Hệ IC vận hành bằng một tuốc bin hơi nhỏ và các van được đóng mở bằng dòng điện một chiều nhờ hệ thống pin ắc qui của nhà máy. Việc điều chỉnh mức nước trong lò thông qua sự đóng mở các van.
Trần Thu Hà
Tổng hợp từ “Emergency Core Cooling Systems”, Nuclear Power Plants World Wide;
“Contaiment Spray System Operation”, “Reactor Core Isolation Cooling System


.png)


